ZJ系列罗茨真空泵

工作原理

1、ZJ系列罗茨真空泵,是一种容积式真空泵,它是利用一对8字形转子在泵体中保持一定的间隙,作等速反向旋转而产生吸气和排气作业的(见图一)。

2、二个转子由泵体两侧面端盖的滚动轴承支承,依靠一对可调的同步齿轮使二个转子在高速旋转时始终保持着一定的相互位置,而转子与端盖之间的端面间隙是靠固定端轴承座内隔套来保证,使泵的工作时因受热而转子只能向一面膨胀。注:电机一侧为固定端

3、端盖内的四组活塞环是为了防止两侧润滑油进入泵腔,出轴处油封是为了防止气体漏入泵内。

4、为降低泵温,除最小二种规格泵外,均装有齿轮箱冷却器和出轴油封冷却器。

5、电动机的动力通过轴器传给主动轴,再通过同步齿轮传给从动轴。

6、ZJ系列罗茨真空泵均制成卧式结构,采用联轴器与电机直联。

使用范围

ZJ系列罗茨真空泵是一种旋转式变容真空泵,须有前级泵配合方可使用,在较宽的压力范围内有较大的抽速,对被抽除气体中含有灰尘和水蒸气不敏感,广泛用于冶金、化工、造纸、食品、电子工业部门。

规格及主要技术参数

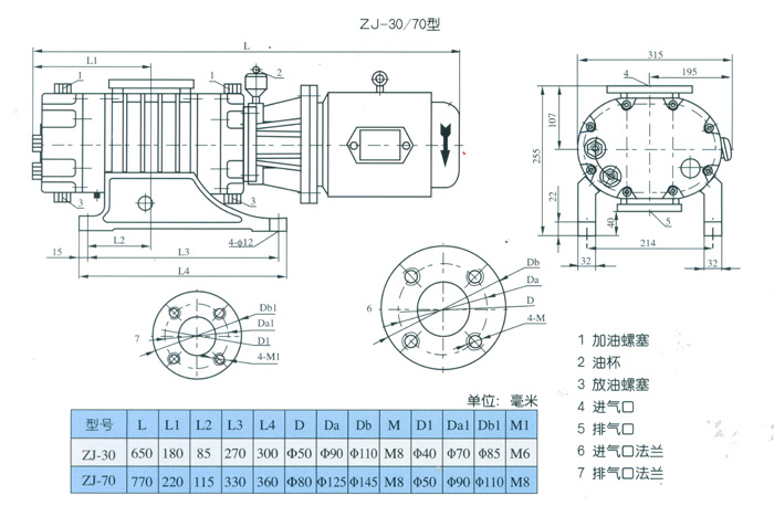
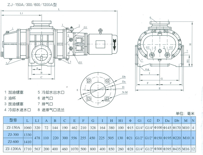
安装尺寸图

特性曲线图


公司简介
关于我们
车间设备
荣誉资质
产品展示
2SK、2YK系列双级液环式真空泵
SK、YK系列单级液环式真空泵
SZ系列单级水环式真空泵
ZJ系列罗茨真空泵
JZJS系列罗茨-水环泵真空泵机组
WLW立式无油往复式真空泵
JZJW罗茨往复泵真空机组
2X系列旋片式真空泵
JZJX罗茨旋片真空机组
真空系统
2BE系列
2BV系列
XD系列
新闻动态
公司新闻
行业新闻
产品知识
服务支持
客户反馈
联系我们
无锡市邦杰机械设备厂
销售热线:13806197349
电话:0510-83953592 83950723
地址:无锡市惠山区阳山镇第二工业园
传真:0510-83954168
邮箱:sales@wxbjvp.com
网址:www.wxbjvp.com
媒体关注

扫描二维码关注我们